Zum Hauptinhalt springen
Zur Suche springen
Zur Hauptnavigation springen
Um unseren Shop in vollem Umfang nutzen zu können, empfehlen wir Ihnen Javascript in Ihrem Browser zu aktivieren.
Aktuelles Lieferland:
-
Zahlung per Vorkasse
Tel.: +49 (0) 6226 9715692
Kontakt
0,00 €
Home
Gummidichtungen
Raritäten & Gebrauchtteile
Pagode W113
MB W110
MB W111
Zur Kategorie Gummidichtungen
Zur Fahrzeug-Auswahl
190 SL
Pagode W113
C107 Cabrio
W110/111 Limousine
W108/109
W111 Cabrio
Ponton Limousine
W113 Pagode
Zur Kategorie Raritäten & Gebrauchtteile
W136 / W187
W186 / W189
Ponton / 190SL
W110 / W111
W113
diverse MB-Modelle
Zur Kategorie Pagode W113
MB 230SL 113.042
01.1 Motorgehäuse - Ölwanne
01.2 Zylinderkopf
03 Kurbelwelle - Kolben
05.1 Nockenwelle - Ventile
05.2 Steuerkette - Kettenspanner
07.1 Einspritzanlage Bild 1
07.2 Einspritzanlage Bild 2
07.3 Einspritzanlage Bild 3
09 Luft- & Kraftstofffilter
13 Servolenkungspumpe
14 Saugrohr - Auspuffkrümmer
15.1 Anlasser - Lichtmaschine
15.2 Zündverteiler & -kabel
18 Ölpumpe & Ölfilter
20 Wasserpumpe - Thermostat
24 Motoraufhängung
25 Kupplung
26.1 Getriebe Bild 1
26.2 Getriebe Bild 2
27.1 Automatisches Getriebe Bild 1
27.2 Automatisches Getriebe Bild 2
27.3 Automatisches Getriebe Bild 3
27.4 Automatisches Getriebe Bild 4
27.5 Automatisches Getriebe Bild 5
27.6 Automatisches Getriebe Bild 6
27.7 Automatisches Getriebe Bild 7
29 Pedalanlage - Geberzylinder
30 Regulierung - Gaspedal
32 Federn - Stoßdämpfer - Drehstab
33.1 Vorderachse Bild 1
33.2 Vorderachse Bild 2
35.1 Hinterachse Bild 1
35.2 Hinterachse Bild 2
40 Räder
41 Gelenkwelle
42.1 Vorderradbremse
42.2 Hinterradbremse
42.3 Feststellbremse
42.4 Bremsleitungen & -schläuche - Bremsgerät
46.1 Lenkung - Lenkstange - Lenkungsstoßdämpfer
46.2 Lenkrad - Lenkungsschloß
46.3 Servolenkung Bild 1
46.4 Servolenkung Bild 2
47.1 Kraftstofftank - Tankgerät
47.2 Kraftstoffpumpe - Kraftstoffleitungen
49.1 Auspuffanlage Bild 1
49.2 Auspuffanlage Bild 2
50 Kühler
54.1 Elektrische Ausrüstung
54.2 Instrumente
58 Werkzeug, Aufkleber & Zubehör
61 Aufbauboden - Bodenbleche - Längsträger
62.1 Vorderwand Bild 1 (Radeinbau)
62.2 Vorderwand Bild 2
62.3 Vorderwand Bild 3 (Vorderkotflügel)
64 Heck
67 Windschutzscheibe
68.1 Verkleidung Innenraum
68.2 Armaturenbrett
69 Zierleisten - Abdeckungen
72.1 Fahrertüren Bild 1
72.2 Fahrertüren Bild 2
75 Heckdeckel - Verdeckkastendeckel
77 Verdeck
79.1 Hardtop Bild 1
79.2 Hardtop Bild 2
81 Rückspiegel - Sonnenblende - Typenzeichen
82.1 Elektrische Anlage - Rückleuchte
82.2 Scheinwerfer - Scheibenwischergestänge
83 Heizung & Lüftung
86 Scheibenwaschanlage
88.1 Stoßstange - Einstiegsblech
88.2 Motorhaube - Bugverzierung
91 Fahrersitze
MB 250SL 113.043
01.1 Motorgehäuse - Ölwanne
01.2 Zylinderkopf
03 Kurbelwelle - Kolben
05.1 Nockenwelle - Ventile
05.2 Steuerkette - Kettenspanner
07.1 Einspritzanlage Bild 1
07.2 Einspritzanlage Bild 2
07.3 Einspritzanlage Bild 3
09 Luft- & Kraftstofffilter
13 Servolenkungspumpe
14 Saugrohr - Auspuffkrümmer
15.1 Lichtmaschine - Anlasser
15.2 Zündkabel - Zündverteiler
18 Ölpumpe & -filter
20.1 Wasserpumpe
20.2 Thermostat
24 Motoraufhängung
25 Kupplung
26.1 Getriebe Bild 1
26.2 Getriebe Bild 2
27.1 Automatisches Getriebe Bild 1
27.2 Automatisches Getriebe Bild 2
27.3 Automatisches Getriebe Bild 3
27.4 Automatisches Getriebe Bild 4
27.5 Automatisches Getriebe Bild 5
27.6 Automatisches Getriebe Bild 6
27.7 Automatisches Getriebe Bild 7
29 Pedalanlage - Geberzylinder
30 Regulierung - Gaspedal
32 Federn & Aufhängung
33.1 Vorderachse Bild 1
33.2 Vorderachse Bild 2
35.1 Hinterachse Bild 1
35.2 Hinterachse Bild 2
40 Räder
41 Gelenkwelle
42.1 Vorderradbremse
42.2 Hinterradbremse
42.3 Feststellbremse
42.4 Bremskraftverstärker
46.1 Lenkung - Lenkstange
46.2 Lenkrad Bild 1
46.3 Lenkrad Bild 2
46.4 Servolenkung Bild 1
46.5 Servolenkung Bild 2
47.1 Kraftstoffanlage Bild 1
47.2 Kraftstoffanlage Bild 2
49.1 Auspuffanlage Bild 1
49.2 Auspuffanlage Bild 2
50 Kühler
54.1 Elektrische Ausrüstung
54.2 Instrumente - Sicherungsdose
58 Werkzeug & Zubehör
61 Aufbauboden - Längsträger
62.1 Vorderwand Bild 1
62.2 Vorderwand Bild 2
62.3 Vorderwand Bild 3
64 Heck
67 Windschutzscheibe
68.1 Verkleidung Innenraum
68.2 Armaturenbrett
69 Abdeckungen & Zierleisten
72.1 Fahrertüren Bild 1
72.2 Fahrertüren Bild 2
75 Heckdeckel
77 Verdeck
79.1 Hardtop Bild 1
79.2 Hardtop Bild 2
81 Innenausstattung / Rückspiegel
82.1 Rückleuchte - Schalter - Innenleuchte
82.2 Scheinwerfer - Wischergestänge
83 Heizung & Lüftung
86 Scheibenwaschanlage
88.1 Stoßstange - Schottblech
88.2 Motorhaube - Bugverzierung
91 Fahrersitze
MB 280SL 113.044
01.1 Motorgehäuse - Ölwanne
01.2 Zylinderkopf
03 Kurbelwelle - Kolben
05.1 Nockenwelle - Ventile
05.2 Steuerkette - Kettenspanner
07.1 Einspritzanlage Bild 1
07.2 Einspritzanlage Bild 2
07.3 Einspritzanlage Bild 3
09 Luft- & Kraftstofffilter
13 Servolenkungspumpe
14 Saugrohr - Auspuffkrümmer
15.1 Anlasser - Lichtmaschine
15.2 Zündkabel - Zündverteiler
18.1 Ölpumpe
18.2 Ölfilter
20.1 Wasserpumpe
20.2 Thermostat
24 Motoraufhängung - Getriebegummilager
25 Kupplung
26.1 Getriebe Bild 1
26.2 Getriebe Bild 2
27.1 Automatisches Getriebe Bild 1
27.2 Automatisches Getriebe Bild 2
27.3 Automatisches Getriebe Bild 3
27.4 Automatisches Getriebe Bild 4
27.5 Automatisches Getriebe Bild 5
27.6 Automatisches Getriebe Bild 6
27.7 Automatisches Getriebe Bild 7
29 Pedalanlage - Geberzylinder
30 Regulierung - Gaspedal
32 Federn & Aufhängung
33.1 Vorderachse Bild 1
33.2 Vorderachse Bild 2
35.1 Hinterachse Bild 1
35.2 Hinterachse Bild 2
40 Räder
41 Gelenkwelle
42.1 Vorderradbremse
42.2 Hinterradbremse
42.3 Feststellbremse
42.4 Bremskraftverstärker
46.1 Lenkung - Lenkstange
46.2 Lenkrad Bild 1
46.3 Lenkrad Bild 2
46.4 Servolenkung Bild 1
46.5 Servolenkung Bild 2
47.1 Kraftstoffanlage Bild 1
47.2 Kraftstoffanlage Bild 2
49.1 Auspuffanlage Bild 1
49.2 Auspuffanlage Bild 2
50 Kühler
54.1 Elektrische Ausrüstung
54.2 Instrumente
58 Werkzeug & Zubehör
61 Aufbauboden
62.1 Vorderwand Bild 1
62.2 Vorderwand Bild 2
62.3 Vorderwand Bild 3
64 Heck
67 Windschutzscheibe
68.1 Verkleidung Innenraum
68.2 Armaturenbrett
69 Zierleisten & Verkleidung
72.1 Fahrertüren Bild 1
72.2 Fahrertüren Bild 2
75 Heckdeckel
77 Verdeck
79.1 Hardtop Bild 1
79.2 Hardtop Bild 2
81 Rückspiegel - Sonnenblende - Typenzeichen
82.1 Rückleuchte - Elektrische Schalter
82.2 Scheinwerfer - Wischergestänge
83 Heizung & Lüftung
86 Scheibenwaschanlage
88.1 Stoßstange - Einstiegsblech
88.2 Motorhaube - Bugverzierung
91 Fahrersitze
Zur Kategorie MB W110
MB 190c 110.010
01.1 Motorgehäuse - Ölwanne
01.2 Zylinderkopf
03 Triebwerkteile - Kurbelwelle
05.1 Nockenwelle - Steuerkette
05.2 Ventile - Kettenspanner
07.1 Vergaser Bild 1
07.2 Vergaser Bild 2
09.1 Kraftstoffpumpe
09.2 Luftfilter
14 Saugrohr - Auspuffkrümmer
15.1 Anlasser
15.2 Lichtmaschine
15.3 Zündverteiler & -kabel
18 Ölpumpe - Ölfilter
20.1 Motorkühlung - Wasserpumpe
20.2 Motorkühlung - Thermostat
24 Motoraufhängung - Gummilager
25 Kupplung - Nehmerzylinder
26.1 Getrieberäder - Getriebeabdichtung
26.2 Getriebedeckel - Schaltstangen
26.3 Getriebeschaltung
27.1 Automatisches Getriebe Bild 1
27.2 Automatisches Getriebe Bild 2
27.3 Automatisches Getriebe Bild 3
27.4 Automatisches Getriebe Bild 4
27.5 Automatisches Getriebe Bild 5
27.6 Automatisches Getriebe Bild 6
27.7 Autom. Getriebe Lenkradschaltung
27.8 Autom. Getriebe Mittelschaltung
29 Pedalanlage - Geberzylinder
30 Regulierung - Gaspedal
32 Federn - Stoßdämpfer - Drehstab
33.1 Vorderachse Bild 1
33.2 Vorderachse Bild 2
35.1 Hinterachse Bild 1
35.2 Hinterachse Bild 2
40 Räder
41.1 Gelenkwelle (zweiteilig)
41.2 Gelenkwelle (dreiteilig)
42.1 Vorderradbremse (Trommelbremse)
42.2 Vorderradbremse (Scheibenbremse)
42.3 Hinterradbremse
42.4 Einkreisbremsanlage Bild 1
42.5 Einkreisbremsanlage Bild 2
42.6 Einkreisbremsanlage Bild 3
42.7 Zweikreisbremsanlage
42.8 Feststellbremse Bild 1
42.9 Feststellbremse Bild 2
46.1 Lenkung - Lenkstange - Lenkungsschloß
46.2 Lenkrad Bild 1
46.3 Lenkrad Bild 2
46.4 Servolenkung Bild 1
46.5 Servolenkung Bild 2
47 Kraftstoffanlage
49 Auspuffanlage
50 Kühler
54.1 Batterie - Regler - Kleinteile
54.2 Kombiinstrument - Sicherungsdose - Uhr
58 Werkzeug - Aufklebersatz - Wagenheber
61 Aufbauboden - Längsträger
62 Vorderwand - Querträger
63 Hinterkotflügel - Außenschweller
64 Heckblech
67 Windschutz- & Heckscheibe
68.1 Verkleidung Innenraum
68.2 Armaturenbrett - Handschuhkasten
69 Anbauteile - Dachhimmel - Verkleidung
72 Fahrertüren
73 Fondtüren
75 Heckdeckel
78.1 Schiebedach manuell Bild 1
78.2 Schiebedach manuell Bild 2
78.3 Schiebedach elektrisch Bild 1
78.4 Schiebedach elektrisch Bild 2
81 Rückspiegel - Sonnenblende - Typenzeichen
82.1 Scheinwerfer - Scheibenwischer
82.2 Rückleuchte - Elektrische Schalter
83 Heizung - Lüftung
86 Scheibenwaschanlage
88.1 Vorderkotflügel - Stoßstange
88.2 Motorhaube - Kühlerverkleidung
91 Fahrersitz
92 Fondsitz
MB 190Dc 110.110
01.1 Motorgehäuse - Ölwanne
01.2 Zylinderkopf
03 Triebwerkteile - Kurbelwelle
05.1 Nockenwelle - Nockenwellenrad
05.2 Ventile - Kettenspanner - Steuerkette
07.1 Einspritzung Bild 1
07.2 Einspritzung Bild 2
07.3 Einspritzung Bild 3
07.4 Einspritzung Bild 4
09 Luftfilter
14 Saugrohr - Auspuffkrümmer
15.1 Anlasser
15.2 Lichtmaschine
18 Ölpumpe - Ölfilter
20.1 Wasserpumpe
20.2 Thermostat
92 Fondsitz
91 Fahrersitz
88.1 Vorderkotflügel - Stoßstange
88.2 Motorhaube - Kühlerverkleidung
86 Scheibenwaschanlage
83 Heizung - Lüftung
82.2 Rückleuchte - Elektrische Schalter
82.1 Scheinwerfer - Scheibenwischer
81 Rückspiegel - Sonnenblende - Typenzeichen
78.4 Schiebedach elektrisch Bild 2
78.3 Schiebedach elektrisch Bild 1
78.2 Schiebedach manuell Bild 2
78.1 Schiebedach manuell Bild 1
75 Heckdeckel
73 Fondtüren
72 Fahrertüren
69 Anbauteile - Dachhimmel - Verkleidung
68.2 Armaturenbrett - Handschuhkasten
68.1 Verkleidung Innenraum & Stirnwand
64 Heckblech
63 Hinterkotflügel - Aussenschweller
62 Vorderwand - Radeinbau - Querträger
61 Aufbauboden - Längsträger
58 Werkzeug - Aufklebersatz - Wagenheber
54.2 Kombiinstrument - Sicherungsdose - Uhr
54.1 Batterie - Regler - Kleinteile
50 Kühler
49 Auspuffanlage
47 Kraftstoffanlage
46.5 Servolenkung Bild 2
46.4 Servolenkung Bild 1
46.3 Lenkrad Bild 2
46.2 Lenkrad Bild 1
46.1 Lenkung - Lenkstange - Lenkungsschloss
42.9 Feststellbremse Bild 2
42.8 Feststellbremse Bild 1
42.7 Zweikreisbremsanlage
42.6 Einkreisbremsanlage Bild 3
42.5 Einkreisbremsanlage Bild 2
42.4 Einkreisbremsanlage Bild 1
42.3 Hinterradbremse
42.2 Vorderradbremse (Scheibenbremse)
42.1 Vorderradbremse (Trommelbremse)
41.2 Gelenkwelle (dreiteilig)
41.1 Gelenkwelle (zweiteilig)
40 Räder
35.2 Hinterachse Bild 2
35.1 Hinterachse Bild 1
33.2 Vorderachse Bild 2
33.1 Vorderachse Bild 1
32 Federn - Stoßdämpfer - Drehstab
30 Regulierung - Gaspedal
29 Pedalanlage - Geberzylinder
27.8 Autom. Getriebe Mittelschaltung
27.7 Autom. Getriebe Lenkradschaltung
27.6 Automatisches Getriebe Bild 6
27.5 Automatisches Getriebe Bild 5
27.4 Automatisches Getriebe Bild 4
27.3 Automatisches Getriebe Bild 3
27.2 Automatisches Getriebe Bild 2
27.1 Automatisches Getriebe Bild 1
26.3 Getriebeschaltung
26.2 Getriebedeckel - Schaltstangen
26.1 Getrieberäder - Getriebeabdichtung
25 Kupplung - Nehmerzylinder
24 Motoraufhängung - Gummilager
67 Windschutz- & Heckscheibe
MB 200 110.010
01.1 Motorgehäuse - Ölwanne
01.2 Zylinderkopf
03 Triebwerkteile - Kurbelwelle
05.1 Nockenwelle - Nockenwellenrad
05.2 Ventile - Kettenspanner - Steuerkette
07.1 Vergaser Bild 1
07.2 Vergaser Bild 2
09.1 Kraftstoffpumpe
09.2 Luftfilter
14 Saugrohr - Auspuffkrümmer
15.1 Anlasser
15.2 Lichtmaschine
15.3 Zündverteiler & -kabel
18 Ölpumpe - Ölfilter
20.1 Wasserpumpe
20.2 Thermostat
49 Auspuffanlage
54.1 Batterie - Regler - Leitungen
54.2 Kombiinstrument - Sicherungsdose
92 Fondsitz
91 Fahrersitz
88.2 Motorhaube - Kühlerverkleidung
88.1 Vorderkotflügel - Stoßstange
86 Scheibenwaschanlage
83 Heizung - Lüftung
82.2 Rückleuchte - Elektrische Schalter
82.1 Scheinwerfer - Scheibenwischer
81 Rückspiegel - Sonnenblende - Typenzeichen
78.4 Schiebedach elektrisch Bild 2
78.3 Schiebedach elektrisch Bild 1
78.2 Schiebedach manuell Bild 2
78.1 Schiebedach manuell Bild 1
75 Heckdeckel
73 Fondtüren
72 Fahrertüren
69 Anbauteile - Dachhimmel - Verkleidung
68.2 Armaturenbrett - Handschuhkasten
68.1 Verkleidung Innenraum & Stirnwand
67 Windschutz- & Heckscheibe
64 Heckblech
63 Hinterkotflügel - Aussenschweller
62 Vorderwand - Radeinbau - Querträger
61 Aufbauboden - Längsträger
58 Werkzeug - Aufklebersatz - Wagenheber
50 Kühler
47 Kraftstoffanlage
46.5 Servolenkung Bild 2
46.4 Servolenkung Bild 1
46.3 Lenkrad Bild 2
46.2 Lenkrad Bild 1
46.1 Lenkung - Lenkstange - Lenkungsschloss
42.5 Feststellbremse Bild 2
42.1 Vorderradbremse (Scheibenbremse)
42.2 Hinterradbremse
42.3 Zweikreisbremsanlage
42.4 Feststellbremse Bild 1
41.2 Gelenkwelle (dreiteilig)
41.1 Gelenkwelle (zweiteilig)
40 Räder
35.2 Hinterachse Bild 2
35.1 Hinterachse Bild 1
33.2 Vorderachse Bild 2
33.1 Vorderachse Bild 1
32 Federn - Stoßdämpfer - Drehstab
30 Regulierung - Gaspedal
29 Pedalanlage - Geberzylinder
27.8 Autom. Getriebe Mittelschaltung
27.7 Autom. Getriebe Lenkradschaltung
27.6 Automatisches Getriebe Bild 6
27.5 Automatisches Getriebe Bild 5
27.4 Automatisches Getriebe Bild 4
27.3 Automatisches Getriebe Bild 3
27.2 Automatisches Getriebe Bild 2
27.1 Automatisches Getriebe Bild 1
26.3 Getriebeschaltung
26.2 Getriebedeckel - Schaltstangen
26.1 Getrieberäder - Getriebeabdichtung
25 Kupplung - Nehmerzylinder
24 Motoraufhängung - Gummilager
MB 200D 110.110
01.1 Motorgehäuse - Ölwanne
01.2 Zylinderkopf
03 Triebwerkteile - Kurbelwelle
05.1 Nockenwelle - Nockenwellenrad
05.2 Ventile - Kettenspanner - Steuerkette
07.1 Einspritzung Bild 1
07.2 Einspritzung Bild 2
07.3 Einspritzung Bild 3
07.4 Einspritzung Bild 4
09 Luftfilter
14 Saugrohr - Auspuffkrümmer
15.1 Anlasser
15.2 Lichtmaschine
18 Ölpumpe - Ölfilter
20.1 Wasserpumpe
20.2 Thermostat
24 Motoraufhängung - Gummilager
25 Kupplung - Nehmerzylinder
26.1 Getrieberäder - Getriebeabdichtung
26.2 Getriebedeckel - Schaltstangen
26.3 Getriebeschaltung
27.1 Automatisches Getriebe Bild 1
27.2 Automatisches Getriebe Bild 2
27.3 Automatisches Getriebe Bild 3
27.4 Automatisches Getriebe Bild 4
27.5 Automatisches Getriebe Bild 5
27.6 Automatisches Getriebe Bild 6
27.7 Autom. Getriebe Lenkradschaltung
27.8 Autom. Getriebe Mittelschaltung
29 Pedalanlage - Geberzylinder
30 Regulierung - Gaspedal
32 Federn - Stoßdämpfer - Drehstab
33.1 Vorderachse Bild 1
33.2 Vorderachse Bild 2
35.1 Hinterachse Bild 1
35.2 Hinterachse Bild 2
40 Räder
41.1 Gelenkwelle (zweiteilig)
41.2 Gelenkwelle (dreiteilig)
42.1 Vorderradbremse (Scheibenbremse)
42.2 Hinterradbremse
42.3 Zweikreisbremsanlage
42.4 Feststellbremse Bild 1
42.5 Feststellbremse Bild 2
46.1 Lenkung - Lenkstange - Lenkungsschloss
46.2 Lenkrad Bild 1
46.3 Lenkrad Bild 2
46.4 Servolenkung Bild 1
46.5 Servolenkung Bild 2
47 Kraftstoffanlage
49 Auspuffanlage
50 Kühler
54.1 Batterie - Regler - Leitungen
54.2 Kombiinstrument - Sicherungsdose
58 Werkzeug - Aufklebersatz - Wagenheber
61 Aufbauboden - Längsträger
62 Vorderwand - Radeinbau - Querträger
63 Hinterkotflügel - Aussenschweller
64 Heckblech
67 Windschutz- & Heckscheibe
68.1 Verkleidung Innenraum & Stirnwand
68.2 Armaturenbrett - Handschuhkasten Kopie
69 Anbauteile - Dachhimmel - Verkleidung
72 Fahrertüren
73 Fondtüren
75 Heckdeckel
78.1 Schiebedach manuell Bild 1
78.2 Schiebedach manuell Bild 2
78.3 Schiebedach elektrisch Bild 1
78.4 Schiebedach elektrisch Bild 2
81 Rückspiegel - Sonnenblende - Typenzeichen
82.1 Scheinwerfer - Scheibenwischer
82.2 Rückleuchte - Elektrische Schalter
83 Heizung - Lüftung
86 Scheibenwaschanlage
88.1 Vorderkotflügel - Stoßstange
88.2 Motorhaube - Kühlerverkleidung
91 Fahrersitz
92 Fondsitz
Zur Kategorie MB W111
MB 220b 111.010
01.1 Motorgehäuse - Ölwanne
01.2 Zylinderkopf
03 Kurbelwelle - Kolben
05 Nockenwelle - Ventile
07.1 Vergaser Bild 1
07.2 Vergaser Bild 2
09.1 Kraftstoffpumpe
09.2 Luftfilter
14 Saugrohr - Auspuffkrümmer
15.1 Lichtmaschine - Anlasser
15.2 Zündverteiler & -kabel
18 Ölpumpe & -filter
20 Wasserpumpe - Thermostat
24 Motoraufhängung - Getriebegummilager
25 Kupplung
26.1 Getriebe Bild 1
26.2 Getriebe Bild 2
26.3 Schalthebel - Schaltstange
27.1 Automatisches Getriebe Bild 1
27.2 Automatisches Getriebe Bild 2
27.3 Automatisches Getriebe Bild 3
27.4 Automatisches Getriebe Bild 4
27.5 Automatisches Getriebe Bild 5
27.6 Automatisches Getriebe Bild 6
27.7 Automatisches Getriebe Bild 7
29 Pedalanlage - Geberzylinder
30 Regulierung - Gaspedal
32 Federn - Stoßdämpfer - Drehstab
33.1 Vorderachse Bild 1
33.2 Vorderachse Bild 2
35.1 Hinterachse Bild 1
35.2 Hinterachse Bild 2
40 Räder
41 Gelenkwelle
42.1 Vorderradbremse (Trommelbremse)
42.2 Vorderradbremse (Scheibenbremse)
42.3 Hinterradbremse Bild 1
42.4 Hinterradbremse Bild 2
42.5 Einkreisbremsanlage Bild 1
42.6 Einkreisbremsanlage Bild 2
42.7 Zweikreisbremsanlage
42.8 Feststellbremse Bild 1
42.9 Feststellbremse Bild 2
46.1 Lenkung
46.2 Servolenkung Bild 1
46.3 Servolenkung Bild 2
47 Kraftstoffanlage
49 Auspuffanlage
50 Kühler
54.1 Batterie - Schalter - Regler
54.2 Kombiinstrument - Sicherungsdose - Uhr
58 Werkzeug - Wagenheber - Zubehör
61 Bodenbleche - Längsträger
62 Vorderwand
63 Hinterkotflügel - Einstiegsblech
64 Heckblech
67 Windschutz- & Heckscheibe
68.1 Verkleidung Innenraum
68.2 Armaturenbrett - Handschuhfach
69 Anbauteile - Dachhimmel - Verkleidung
72 Fahrertüren
73 Fondtüren
75 Heckdeckel
78.1 Schiebedach Bild 1
78.2 Schiebedach Bild 2
81 Rückspiegel - Sonnenblende - Typenzeichen
82.1 Scheinwerfer - Scheibenwischer
82.2 Rückleuchte - Schalter - Innenleuchte
83 Heizung & Lüftung
86 Scheibenwaschanlage
88.1 Vorderkotflügel - Stoßstange
88.2 Motorhaube - Kühlerverkleidung
91 Fahrersitze
92 Fondsitz
MB 220Sb 111.012
01.1 Motorgehäuse - Ölwanne
01.2 Zylinderkopf
03 Kurbelwelle - Kolben
05 Nockenwelle - Ventile
07.1 Vergaser Bild 1 (Solex 34 PAITA)
07.2 Vergaser Bild 2 (Solex 34 PAITA)
07.3 Vergaser Bild 1 (Zenith 35/40 INAT)
07.4 Vergaser Bild 2 (Zenith 35/40 INAT)
09.1 Kraftstoffpumpe
09.2 Luftfilter
14 Saugrohr - Auspuffkrümmer
15.1 Lichtmaschine - Anlasser
15.2 Zündverteiler & -kabel
18 Ölpumpe & -filter
20 Wasserpumpe - Thermostat
24 Motoraufhängung - Getriebegummilager
25.1 Kupplung
26.1 Getriebe Bild 1
26.2 Getriebe Bild 2
26.3 Schalthebel - Schaltstange
27.1 Automatisches Getriebe Bild 1
27.2 Automatisches Getriebe Bild 2
27.3 Automatisches Getriebe Bild 3
27.4 Automatisches Getriebe Bild 4
27.5 Automatisches Getriebe Bild 5
27.6 Automatisches Getriebe Bild 6
27.7 Autom. Getriebe Lenkradschaltung
29 Pedalanlage - Geberzylinder
30 Regulierung - Gaspedal
32 Federn - Stoßdämpfer - Drehstab
33.1 Vorderachse Bild 1
33.2 Vorderachse Bild 2
35.1 Hinterachse Bild 1
35.2 Hinterachse Bild 2
40 Räder
41 Gelenkwelle
42.1 Vorderradbremse (Trommelbremse)
42.2 Vorderradbremse (Scheibenbremse)
42.3 Hinterradbremse Bild 1
42.4 Hinterradbremse Bild 2
42.5 Einkreisbremsanlage Bild 1
42.6 Einkreisbremsanlage Bild 2
42.7 Zweikreisbremsanlage
42.8 Feststellbremse Bild 1
42.9 Feststellbremse Bild 2
46.1 Lenkung - Lenkrad - Lenkstange
46.2 Servolenkung
46.3 Servopumpe
47 Kraftstoffanlage
49 Auspuffanlage
50 Kühler
54.1 Batterie - Schalter - Regler
54.2 Kombiinstrument - Sicherungsdose - Uhr
58 Werkzeug - Wagenheber - Zubehör
61 Bodenblech - Längsträger
62 Vorderwand
63 Hinterkotflügel - Einstiegsblech
64 Heckblech
67 Windschutz- & Heckscheibe
68.1 Verkleidung Innenraum
68.2 Armaturenbrett
69 Anbauteile - Dachhimmel- Verkleidung
72 Fahrertüren
73 Fondtüren
75 Heckdeckel
78.1 Schiebedach Bild 1 (manuell)
78.2 Schiebedach Bild 2 (manuell)
81 Rückspiegel - Sonnenblende - Typenzeichen
82.1 Scheinwerfer - Scheibenwischer
82.2 Rückleuchte - Schalter - Innenleuchte
83 Heizung & Lüftung
86 Scheibenwaschanlage
88.1 Vorderkotflügel - Stoßstange
88.2 Motorhaube - Kühlerverkleidung
91 Fahrersitze
92 Fondsitz
MB 220SEb 111.014
01.1 Motorgehäuse - Ölwanne
01.2 Zylinderkopf & -haube
03 Kurbelwelle - Kolben
05.1 Nockenwelle - Ventile
05.2 Steuerkette - Kettenspanner
07.1 Einspritzanlage Bild 1
07.2 Einspritzanlage Bild 2
09 Luft- & Kraftstofffilter
14.1 Saugrohr & Auspuffkrümmer Bild 1
14.2 Saugrohr & Auspuffkrümmer Bild 2
15.1 Anlasser - Lichtmaschine
15.2 Zündverteiler & -kabel
18 Ölpumpe & -filter
20 Wasserpumpe - Thermostat
24 Motoraufhängung - Getriebegummilager
25 Kupplung
26.1 Schaltgetriebe
26.2 Lenkradschaltung
26.3 Knüppelschaltung (Sonderwunsch)
27.1 Automatisches Getriebe Bild 1
27.2 Automatisches Getriebe Bild 2
27.3 Automatisches Getriebe Bild 3
27.4 Automatisches Getriebe Bild 4
27.5 Automatisches Getriebe Bild 5
27.6 Automatisches Getriebe Bild 6
27.7 Automatik Schaltgestänge
29 Pedalanlage - Geberzylinder
30 Regulierung - Gaspedal
32 Federn - Stossdämpfer
33.1 Vorderachse Bild 1
33.2 Vorderachse Bild 2
35.1 Hinterachse Bild 1
35.2 Hinterachse Bild 2
40 Räder
41 Gelenkwelle
42.1 Vorderradbremse (Trommelbremse)
42.2 Vorderradbremse (Scheibenbremse)
42.3 Hinterradbremse Bild 1
42.4 Hinterradbremse Bild 2
42.5 Einkreisbremsanlage Bild 1
42.6 Einkreisbremsanlage Bild 2
42.7 Zweikreisbremsanlage
42.8 Feststellbremse Bild 1
42.9 Feststellbremse Bild 2
46.1 Lenkung - Lenkrad - Lenkstange
46.2 Servolenkung
46.3 Servopumpe
47 Kraftstoffanlage
49 Auspuffanlage
50 Kühler
54.1 Batterie - Kabel - Sicherungsdose
54.2 Kombiinstrument - Uhr
58 Werkzeug - Zubehör - Wagenheber
61 Bodenbleche - Längsträger
62 Vorderwand - Stoßstangenhalter
63 Hinterkotflügel - Einstiegsblech
64 Heckblech
67 Windschutz- & Heckscheibe
68.1 Verkleidung Innenraum
68.2 Armaturenbrett
69 Anbauteile - Dachhimmel
72 Fahrertüren
73 Fondtüren
75 Heckdeckel
78.1 Schiebedach (manuell) Bild 1
78.2 Schiebedach (manuell) Bild 2
81 Rückspiegel - Sonnenblende - Typenzeichen
82.1 Rückleuchte - Innenleuchte - Schalter
82.2 Scheinwerfer - Scheibenwischer
83 Heizung & Lüftung
86 Scheibenwaschanlage
88.1 Vorderkotflügel - Stossfänger
88.2 Motorhaube - Kühlerverkleidung
91 Fahrersitze
92 Fondsitz
MB 220SEb Cabriolet 111.023
01.1 Motorgehäuse - Ölwanne
01.2 Zylinderkopf & -haube
03 Kurbelwelle - Kolben
05.1 Nockenwelle - Ventile
05.2 Steuerkette - Kettenspanner
07.1 Einspritzanlage Bild 1
07.2 Einspritzanlage Bild 2
09 Luft- & Kraftstofffilter
14.1 Saugrohr & Auspuffkrümmer Bild 1
14.2 Saugrohr & Auspuffkrümmer Bild 2
15.1 Anlasser - Lichtmaschine
15.2 Zündverteiler & -kabel
18 Ölpumpe & -filter
20 Wasserpumpe - Thermostat
24 Motoraufhängung - Getriebegummilager
25 Kupplung
26.1 Schaltgetriebe
26.2 Schaltgestänge
27.1 Automatisches Getriebe Bild 1
27.2 Automatisches Getriebe Bild 2
27.3 Automatisches Getriebe Bild 3
27.4 Automatisches Getriebe Bild 4
27.5 Automatisches Getriebe Bild 5
27.6 Automatisches Getriebe Bild 6
27.7 Automatik Schaltgestänge
29 Pedalanlage - Geberzylinder
30 Regulierung - Gaspedal
32 Federn - Stossdämpfer - Drehstab
33.1 Vorderachse Bild 1
33.2 Vorderachse Bild 2
35.1 Hinterachse Bild 1
35.2 Hinterachse Bild 2
40 Räder
41 Gelenkwelle
42.1 Vorderradbremse
42.2 Hinterradbremse Bild 1
42.3 Einkreisbremsanlage Bild 1
42.4 Einkreisbremsanlage Bild 2
42.5 Zweikreisbremsanlage
42.6 Feststellbremse Bild 1
42.7 Feststellbremse Bild 2
46.1 Lenkung - Lenkrad - Lenkstange
46.2 Servolenkung
46.3 Servopumpe
47 Kraftstoffanlage
49 Auspuffanlage
50 Kühler
54.1 Batterie - Sicherungsdose
54.2 Kombiinstrument - Uhr
58 Werkzeug - Wagenheber - Aufklebersatz
61 Bodenbleche - Längsträger
62 Vorderwand - Stoßstangenhalter
63 Hinterkotflügel - Einstiegsblech
64 Heckblech
67.1 Windschutz- & Heckscheibe
67.2 Seitenscheibe hinten
68.1 Armaturenbrett & Verkleidung
68.2 Verkleidung Innenraum
69 Anbauteile - Dachhimmel
72.1 Fahrertüren Bild 1
72.2 Fahrertüren Bild 2
75 Heckdeckel
77.1 Verdeck Bild 1
77.2 Verdeck Bild 2
81 Rückspiegel - Sonnenblende
82.1 Rückleuchte - Innenleuchte - Schalter
82.2 Scheinwerfer - Scheibenwischer
83 Heizung & Lüftung
86 Scheibenwaschanlage
88.1 Vorderkotflügel - Stoßstangen
88.2 Motorhaube - Kühlerverkleidung
91 Fahrersitze
MB 220SEb Coupe 111.021
01.1 Motorgehäuse - Ölwanne
01.2 Zylinderkopf & -haube
03 Kurbelwelle - Kolben
05.1 Nockenwelle - Ventile
05.2 Steuerkette
07.1 Einspritzanlage Bild 1
07.2 Einspritzanlage Bild 2
09 Luft- & Kraftstofffilter
14.1 Saugrohr & Auspuffkrümmer Bild 1
14.2 Saugrohr & Auspuffkrümmer Bild 2
15.1 Anlasser - Lichtmaschine
15.2 Zündverteiler & -kabel
18 Ölpumpe & -filter
20 Wasserpumpe - Thermostat
24 Motoraufhängung - Getriebegummilager
25 Kupplung
26.1 Schaltgetriebe
26.2 Schaltgestänge
27.1 Automatisches Getriebe Bild 1
27.2 Automatisches Getriebe Bild 2
27.3 Automatisches Getriebe Bild 3
27.4 Automatisches Getriebe Bild 4
27.5 Automatisches Getriebe Bild 5
27.6 Automatisches Getriebe Bild 6
27.7 Automatik Schaltgestänge
29 Pedalanlage - Geberzylinder
30 Regulierung - Gaspedal
32 Federn - Stossdämpfer - Drehstab
33.1 Vorderachse Bild 1
33.2 Vorderachse Bild 2
35.1 Hinterachse Bild 1
35.2 Hinterachse Bild 2
40 Räder
41 Gelenkwelle
42.1 Vorderradbremse
42.2 Hinterradbremse Bild 1
42.3 Hinterradbremse Bild 2
42.4 Einkreisbremsanlage Bild 1
42.5 Einkreisbremsanlage Bild 2
42.6 Zweikreisbremsanlage
42.7 Feststellbremse Bild 1
42.8 Feststellbremse Bild 2
46.1 Lenkung - Lenkrad - Lenkstange
46.2 Servolenkung
46.3 Servopumpe
47 Kraftstoffanlage
49 Auspuffanlage
50 Kühler
54.1 Batterie - Sicherungsdose - Zubehör
54.2 Kombiinstrumente - Uhr
58 Werkzeug - Wagenheber - Aufklebersatz
61 Bodenbleche - Längsträger
62 Vorderwand - Stoßstangenhalter
63 Hinterkotflügel - Einstiegsblech
64 Heckblech
67.1 Windschutz- & Heckscheibe
67.2 Seitenfenster hinten
68.1 Armaturenbrett & Verkleidung
68.2 Verkleidung Innenraumboden
69 Dachhimmel & Verkleidung
72.1 Fahrertüren Bild 1
72.2 Fahrertüren Bild 2
75 Heckdeckel
78.1 Schiebedach (manuell) Bild 1
78.2 Schiebedach (manuell) Bild 2
81 Rückspiegel - Sonnenblende - Typenzeichen
82.1 Rückleuchte - Schalter - Innenleuchte
82.2 Scheinwerfer - Scheibenwischer
83 Heizung & Lüftung
86 Scheibenwaschanlage
88.1 Vorderkotflügel - Stossfänger
88.2 Motorhaube - Kühlerverkleidung
92 Fondsitz
Menü schließen
MB W110
MB 200 110.010
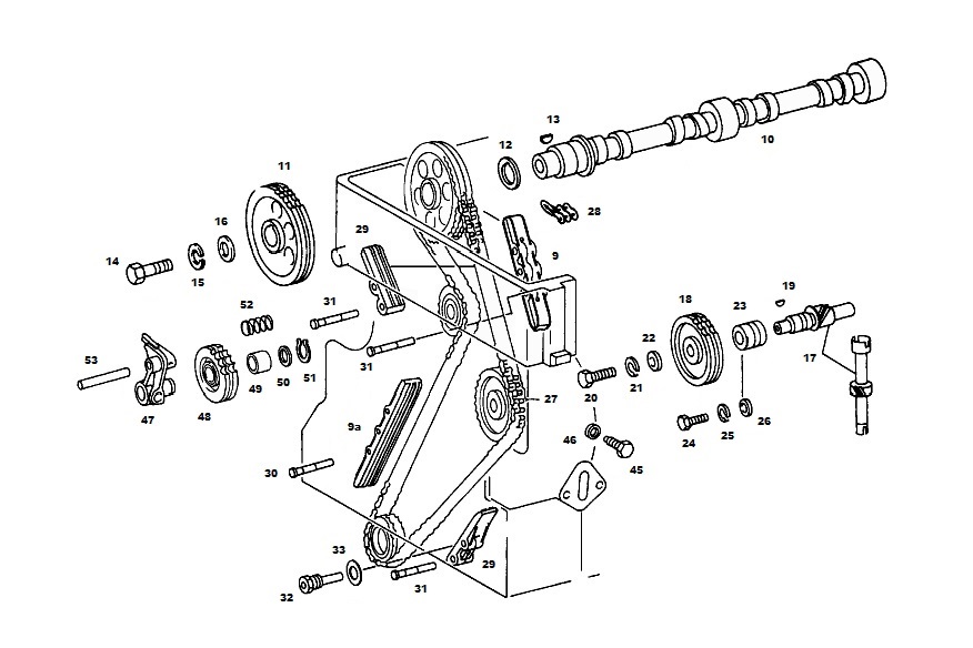
05.1 Nockenwelle - Nockenwellenrad
Produkte filtern
Produkte filtern
Keine Produkte gefunden.
Diese Website verwendet Cookies, um eine bestmögliche Erfahrung bieten zu können.
Mehr Informationen ...
Nur technisch notwendige
Konfigurieren
Zurück