Zum Hauptinhalt springen Zur Suche springen Zur Hauptnavigation springen
Zahlung Icon Zahlung per Vorkasse
Telefon Icon Tel.: +49 (0) 6226 9715692
SebCb1.2
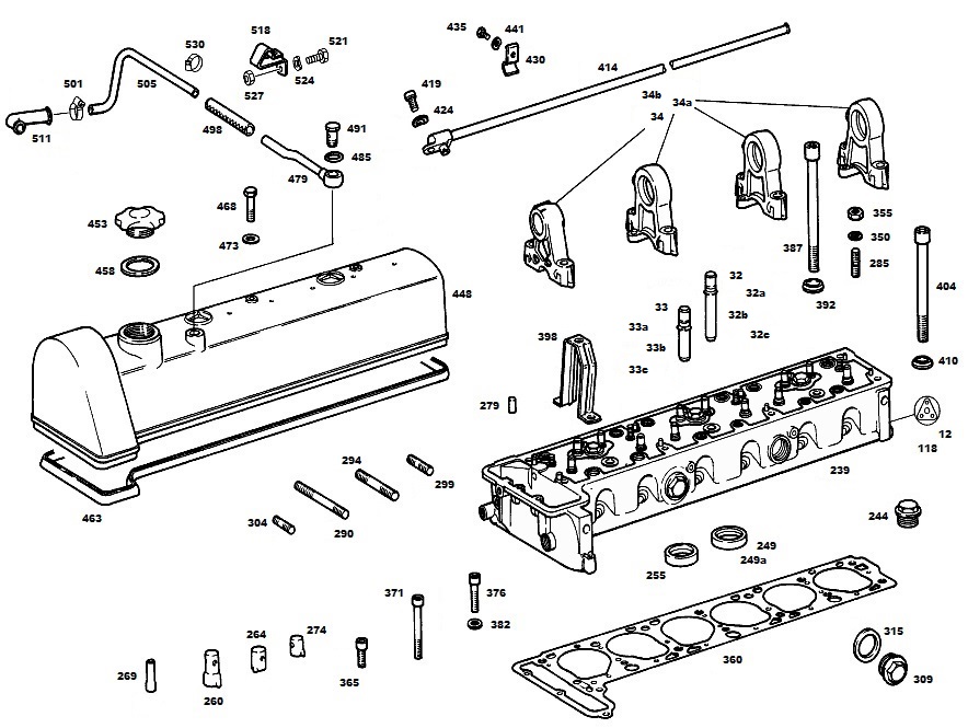
511
511a
505
498
479
473
453
458
463
448
491
485
419
424
430
414
398
387
392
404
410
12
244
315
309
360
239
249
249a
255
376
382
274
264
260
269
304
294
299
34
34a
34b
32
32a
32b
32c
33
33a
33b
33c

Produkte filtern

AUSLASS-VENTILFÜHRUNG
STANDARD-AUSFÜHRUNG
15,40 €*
AUSLASS-VENTILFÜHRUNG Ø 14,018mm
REPARATUR-AUSFÜHRUNG
27,85 €*
AUSLASS-VENTILFÜHRUNG Ø 14,2mm
REPARATUR-AUSFÜHRUNG
15,17 €*
AUSLASS-VENTILFÜHRUNG Ø 14,4mm
REPARATUR-AUSFÜHRUNG
27,97 €*
BÜGEL FÜR ZYLINDERKOPFHAUBE
0,00 €*
DICHTRING 18x22x1,5 DIN 7603 Al
0,95 €*
DICHTRING 30x36 DIN 7603 Al
BIS M130.983-10-003168 / 12-005080
2,98 €*
DICHTRING C8x14 DIN 7603 CuAs
0,95 €*
EINLASS-VENTILFÜHRUNG
STANDARD-AUSFÜHRUNG - AB M180.940-10-002162 - AB M180.941-10-004091
15,47 €*
EINLASS-VENTILFÜHRUNG Ø 14,018mm
REPARATUR-AUSFÜHRUNG - AB M180.940-10-002162 - AB M180.941-10-004091
23,21 €*
EINLASS-VENTILFÜHRUNG Ø 14,20mm
REPARATUR-AUSFÜHRUNG - AB M180.940-10-002162 - AB M180.941-10-004091
0,00 €*
EINLASS-VENTILFÜHRUNG Ø 14,40mm
REPARATUR-AUSFÜHRUNG - AB M180.940-10-002162 - AB M180.941-10-004091
26,18 €*
ENTLÜFTUNGSROHR (GELB VERZINKT) "NACHFERTIGUNG"
BIS M127.981-10-010786 - BIS M127.981-12-002990
95,56 €*
FEDERSCHEIBE B 6 DIN 137
0,30 €*
FORMSCHLAUCH
AB M127.981-10-010787 / 12-002991 AB M127.982-10-004979 BIS 016658 ALTERNATIVE FÜR OM621.918
5,02 €*
FORMSCHLAUCH
BIS MOTOR 127.981-10-010786 / 12-002990 AB MOTOR 127.982-10-016659 & FÜR ALLE AUTOMATIK-MODELLE
22,60 €*
GUMMIDICHTRING FÜR SCHRAUBDECKEL
BIS M130.983-10-003498 / 12-005620
2,12 €*
INNENSECHSKANTSCHRAUBE M12x105 DIN 912-10
FÜR BÜGEL & ZYLINDERKOPF AN ZYLINDER-KURBELGEHÄUSE
5,36 €*
INNENSECHSKANTSCHRAUBE M12x140
6,55 €*
INNENSECHSKANTSCHRAUBE M8x30
U.A. FÜR ZYLINDERKOPF ODER ÖLFILTER AN ZYLINDERKURBEL-GEHÄUSE - AB M127.982-10-000138 (ABB. 01.1)
5,25 €*
MOTORDICHTUNGSSATZ
INKL. VENTILSCHAFTDICHTUNGEN; BEI HECKFLOSSEN-MOTOREN ÖLWANNEN-DICHTUNG (BILD-NR. 171 ODER 171a) SEPARAT BESTELLEN
440,30 €*
MUTTER
0,00 €*
ÖLROHR
AB M127.982-10-022268 / 12-000894 -  AB M127.984-10-002744 / 12-000373 - BIS M130.983-10-007614 / 12-014410 - AB M180.940-10-031677 - AB M180.941-10-065064 / 12-000288
281,55 €*
ROHR (GELB VERZINKT)
BIS M127.981-10-010786 / 12-002990 - AB M127.982-10-034933 / 12-005624 - AB M127.984-10-007670 / 12-001893
83,66 €*